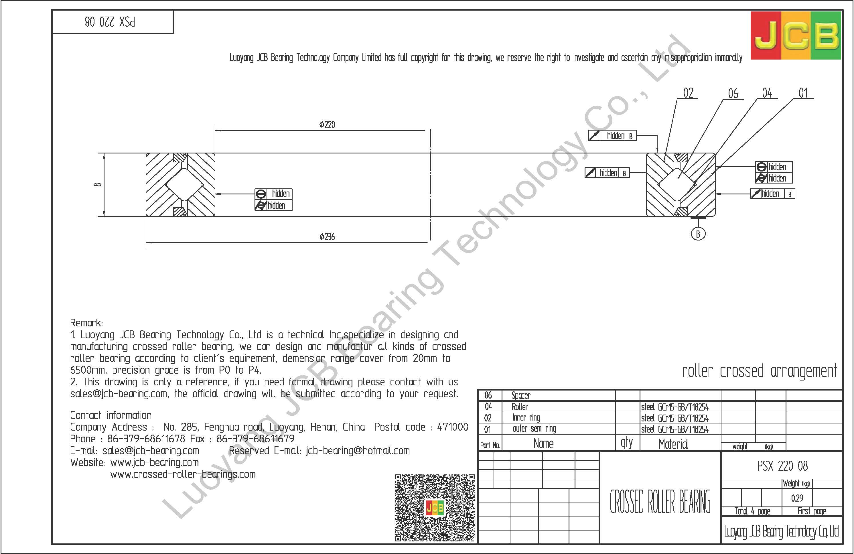
PSX 220 08 CROSSED ROLLER BEARING
| Bearing No. | Bearing dim.(mm) | Mass | Basic loading rates(kN) | Limiting speeds(min-1) | ||||||
| d | D | B | kg | Ca | Coa | Cr | Cor | Bearing play | Preload | |
| PSX 220 08 | 220 | 236 | 8 | 0.29 | 10.3 | 81 | 7.3 | 32.5 | 340 | 170 |
Description
As a professional manufacturer of crossed roller bearing, we are committed to providing customers with high-quality products and perfect technical support.
PSX 220 08 crossed roller bearing specification
- Model Code: PSX series is split outer ring type of crossed roller bearing with cage.
- Outer Diameter: 236 (unit: mm).
- Bore Diameter: 220 (unit: mm).
- Width: 8 (unit: mm).
- Weight: 0.29 KG
- Mounting Holes: without mounting holes.
- Seal Symbol: Sealed on both sides.
- Material:Stainless steel X46Cr13
- Accuracy class: Including P0,P6,P5
Similar products of PSX 220 08 crossed roller bearing
| Bearing No. | – |
How to ensure quality of crossed roller bearing
–Advanced design
From the beginning of design stage, we make a modeling to design crossed roller bearing by advanced design software, then use method of finite element analysis to verify the results.
–Advanced equipment
Base on advanced equipment to ensure product quality, we possess advance processing equipment for key production process, for example, CNC machining center, CNC heat treatment equipment …etc.
–Reliable raw materials
The most important part of ensuring the product quality is raw materials manufacturing, therefore we choose the reliable raw materials to use for element of crossed roller bearing, such as bearing ring and roller etc, we also could provide customize crossed roller bearing with special material.
–Perfect management system
We established perfect management system so to ensure product quality, we passed to certificate ISO9001 quality management system as well as obtain ISO9001 certification, and carry out quality manufacture system strictly for whole process of production from beginning to the end.
–Perfect testing method
We organized a professional and strong testing and inspecting team with advanced test equipment by perfect testing method to guarantee product quality and set up special testing machine and test bed for crossed roller bearing.
Download : drawing of crossed roller bearing PSX 220 08
If you need formal drawing , please contact with us
Luoyang JCB Bearing Technology Company Limited
Company Address: No. 285, Fenghua Road, High-tech Development Zone, Luoyang Area, (Henan) Free Trade Zone of China.
Postal code : 471000
Phone : 0086-379-6861-1678 Fax : 0086-379-6861-1679
WhatsApp:+8618603795853
E-mail: sales@jcb-bearing.com
Reserved E-mail: jcb-bearing@hotmail.com




